Each porosimeter has four basic parameters that determine the results that the device will give.
You can easily check these parameters yourself and make sure that the device gives the correct results.
The general rule for testing paragliding cloths is that we blow 250 cm3 of air through 38.5 cm2 of fabric at a pressure of 10 mbar.
And the time it takes to happen is the result of the measurement.
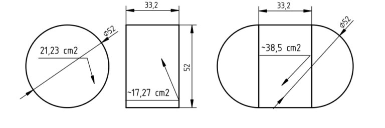
1.Measurement area – In older devices it was a round hole with a diameter of 7 cm, which is 38.5 cm2.
In XC wings, the inlets are smaller and smaller, which makes it difficult to locate the porosimeter cap,
so the better solution was to use an oval hole that allows you to reduce the diameter of the entire lid while maintaining the same surface area.
2. Volume of air passed – It is 250 cm3, there are several methods to measure what volume the device uses for measurements.
The method that most closely resembles the real conditions is the measurement with the use of a scale container,
into which a liquid is sucked in by means of vacuum-connected vessels, the volume of which is equal to the volume of the device. In the porosimeter, this volume is determined by setting the upper position of the rubber bellows.
3. Working pressure – Ideally, if the pressure was only generated by gravity, it could remain constant throughout the measurement.
Unfortunately, part of the force is also the elasticity of the rubber that changes when you measure it.
The new version uses a very soft rubber with minimal influence on the measurement (probably the best rubber on the market)
which reduces the pressure spread and reduces the influence of temperature on the results as rubber products change their temperature properties.
This pressure can be measured with a professional electronic tool or a U-tube where the water column shows the pressure.
The pressure can be changed by adding or reducing the load that is inside the rubber bellows.
4.Lost air during measurement– It is the air that got inside and did not pass through the tested fabric. This parameter is specific to each type of device and is more important the bigger score is, because the proportion grows, lost air to air passed through the material.
You can measure this parameter on an impermeable material. I used 1mm PVC foil for the test, although different types of materials seal with the device differently, so the results of such a test cannot be directly related to the paraglider fabric. Testing a new model with PVC foil sometimes takes several days.
Contact :
(+48) 796-463-966 (WhatsApp)
michal.jantas@gmail.com (e-mail)
